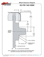
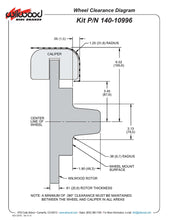
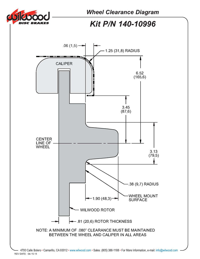
Wilwood's new limited offset FDL Pro-Series Front Hub Kits for GM 1967-1969 F-Body and 1964-1974 A-Body vehicles offer disc brake upgrade solutions for both OEM Disc & Drum spindles. We have completely redesigned our Pro Series line of brake kits using a larger 11 in rotor and new forged aluminum hubs with the express purpose of maintaining the factory wheel position. This new kit widens the track by only +.19 in from original drum brake position or narrows by -.31 in from the original disc brake rotor assembly. Based on the venerable forged billet Dynalite caliper, these versatile kits are easily optioned to suit the braking requirements and style preferences for a daily driver, serious competition, or the most discriminating show enthusiast. Most vehicle applications require no modifications for installation, and provide plenty of clearance inside popular 15 in wheels. FDL Pro-Series kits can be used with either manual or power boost master cylinders. Kits come complete with calipers, rotors, hub assembly, brackets and hardware. Installation requires purchase of additional brake lines shown below.







