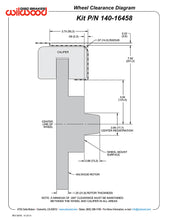
140-16458
FNSL6R billet Forged six-piston calipers with 13”-14” rotors deliver the ultimate combination for braking power and style in this group of kits engineered for drop spindles for C10 / C15 trucks. Built exclusively for 17” and larger wheels, FNSL6R kits enhance tire and suspension upgrades on all types of custom show and high performance dual-purpose street and track machines. A full range of options for caliper finishes and rotor designs are guaranteed to catch the eye of the most discriminating enthusiast while providing optimized brake performance for every individual application.







