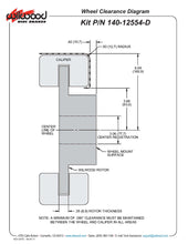
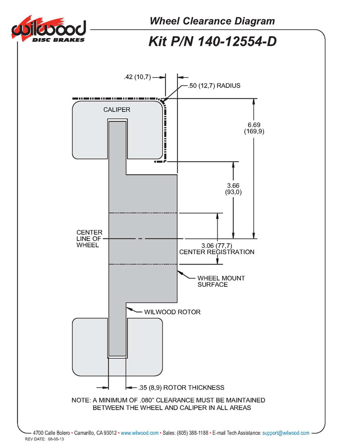
Wilwood's new Billet Dynapro Lug-Drive Dynamic Stainless Super Alloy Rotor Brake Kits are especially beneficial to cars that rely heavily on the rear brakes for stopping and any other high speed, heavy weight cars that generate above average rear brake heat. The lug-drive rotor mounting system eliminates the rotor bolts and instead, a large single internal snap-ring retains the rotor in the hat, making assembly and installation literally a snap. This system allows the rotors to move independently of the hats as they expand and contract through heat cycles. All thermally generated stress is removed from the rotor attachment points. The rotors stay flatter and run truer. Kits are available in two rotor diameters: A traditional 11.44” diameter and a smaller 11.25” diameter for clearance with bead lock rims. The hats are no longer distorted by stresses generated by thermal expansion and shrinkage of the rotors. Spring-loaded, replaceable stainless steel inserts in each lug-drive slot protect the aluminum hat from wear that would otherwise be caused by loading of the stainless steel rotor against the hat when brake torque is applied. Kits are available in Single and Dual caliper configurations.






