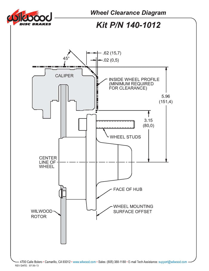
140-1012-D
DPS Front Drag kits incorporate the newest DynaPro caliper technology in this traditional style front brake kit. DPS kits are built for the common front spindles and aftermarket struts used on four-wheel disc brake drag cars that weigh in under 2,400 pounds. The billet DPS caliper is a fixed mount, two-piston design that mounts directly to the spindle with a bolt-on bracket. Forged billet, five lug hubs with direct mount lightweight steel rotors combine to provide consistent braking with an average weight savings of 35 pounds over stock drum or disc brakes. Kits include all new hardware, wheel bearings, and seals.




