140-10787
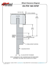
NDPR forged billet, radial mount four piston calipers are used in this select group of drag racing kits. The OE brakes on vehicles originally equipped with 16” or larger wheels generally do not fit inside the popular 15” drag wheels. Specially designed radial caliper mount brackets bolt directly to the OE caliper mount, and provide secure and accurate mounting for the NDPR caliper. These kits with .81” rotors should be used on cars over 2,800 pound cars, or lighter cars running extreme speeds desiring increased rotor durability.





