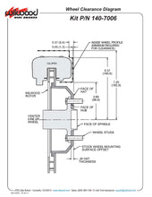
140-7006
Forged billet DynaPro four piston calipers and high performance BP-10 compound pads generate high clamping power with firm pedal response for this group of specialized rear axle brake kits. These kits retain full function of the OE parking brake and provide complimentary performance and style with front big brake upgrades. Caliper piston sizes are selected to provide balanced rear bias ratios using the output from the OE master cylinder. Rear rotor and hat combinations are engineered specific to each vehicle to provide brake performance upgrades and precise fit with the mounting of the DynaPro calipers.







