170-14293
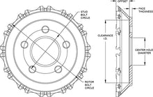
GT Series Dynamic Mount Rotor Hats are engineered to withstand the rigors and demands of extreme motorsports competition. Each hat is precision machined from premium grade aluminum offering high strength with low unsprung and rotating weight. Wilwood T-nuts float within the hat and provide true dynamic mounting of a standard through-hole mount rotor. The wide load bearing load surface of the T-nut and the straight through-hole mount rotors provide the most durable and accurate method of isolating potential pad engagement harmonics and the in-service thermal variations that occur between the hat and the rotor.

