170-11804
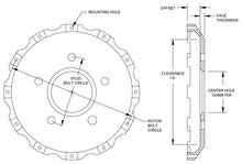
GT Series Big Brake Flared Bell hats are precision machined from premium aluminum alloys for high strength and attention to minimized weight. Hats in this category feature threaded rotor mount holes for use with standard through-hole mount rotors. Threaded hole hats may also be used with T-Nuts or bobbins designed for use with specially machined slotted hole dynamic mount rotors. When used in conjunction with matched Wilwood rotor hardware kits, GT hats provide solid, reliable performance in the most demanding conditions.Flared Bell Hats are generally used with rotor mount bolt circles of 8.38 in and larger. Offsets range from 1.88 in to 3.00 in for rotor diameters 12.19 in and up.

