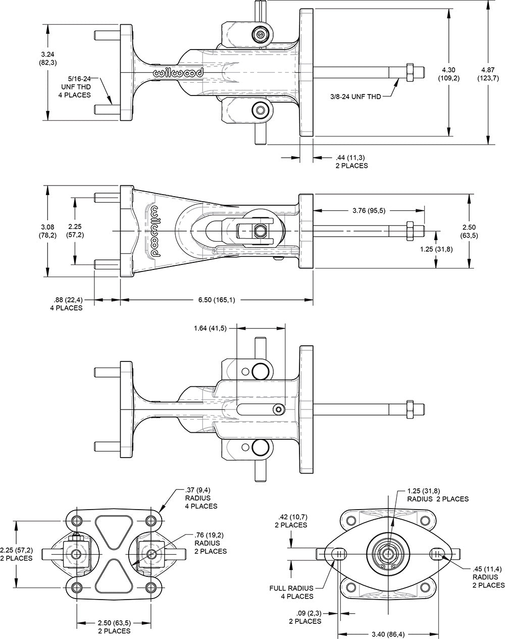
340-16920
Wilwood's Tandem Mount Balance Bar Assembly bolts in place of a typical horizontal bolt pattern tandem master cylinder and provides a sturdy mounting location for two race-type vertical bolt pattern master cylinders, with no custom fabrication needed. Providing The ultimate in brake bias control for performance and race vehicles is an adjustable balance bar with dual master cylinders. Ideal for modified street cars/trucks needing fast and easy brake bias adjustability to optimize braking for different performance driving situations and skillsets.







