140-3326-D
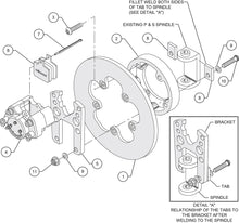
The Dynalite Single Floater front drag kit is purpose built for use on lightweight cars using spindle mount brakes on various lightweight drag spindles. The DLSF calipers and lightweight steel rotors combine to provide excellent static holding power for use as a staging brake or as a supplementary brake on vehicles using parachutes and rear brakes to provide the majority of the stopping power. Aluminum hats are provided to mount the rotors directly to the spindle mount wheels. A choice of solid or lightweight drilled rotors is offered to provide the lowest possible weight to the front axle. Mount brackets are included.




