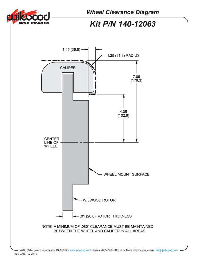
140-12063
Wilwood's FDLI BIG Brake kit for Shelby CSX6000 deliver big brake stopping power with high-tech style. Utilizing the newest version of the Forged Dynalite Caliper (FDLI) with 12.19” diameter, 0.81” thick Spec37 rotors offer repeatable brake performance for street and competition use. With direct mount rotor adapters for CSX6000 hubs and spindle brackets, this kit offers a direct mount, no modification solution for these vehicles. Included BP10 pads offer high friction and low NVH (Noise, Vibration and Harshness) characteristics, within moderate to medium high temperature ranges.




