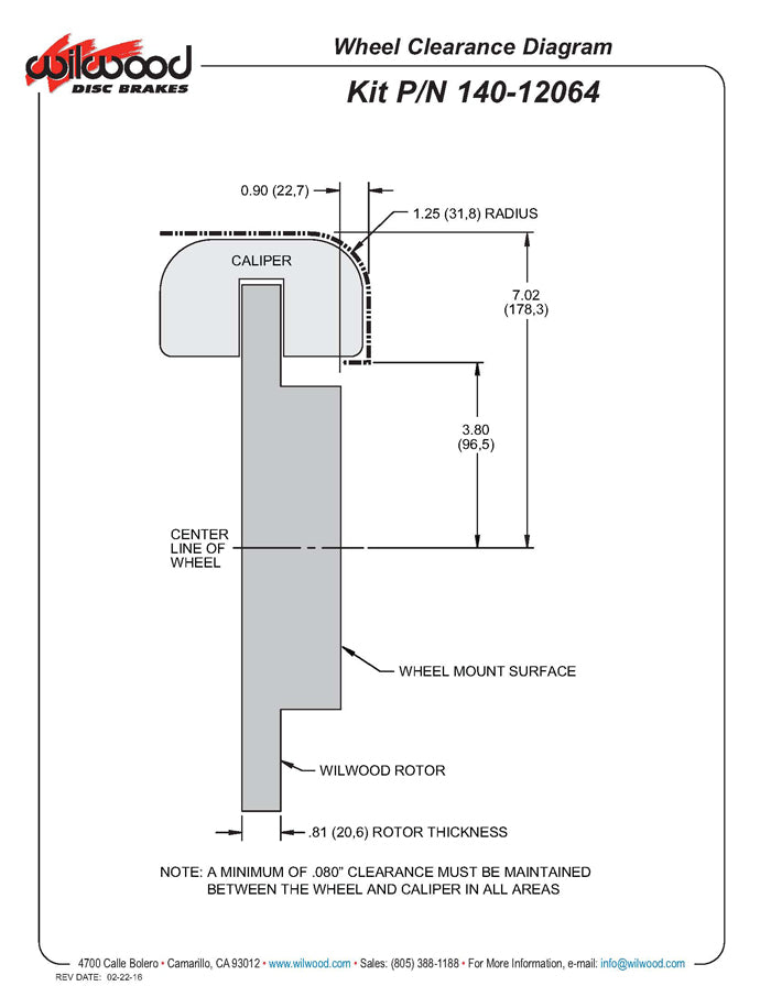
140-12064
Wilwood's FDLI/MC-4 Big Brake rear kit for Shelby CSX6000 deliver big brake stopping power with high-tech style. Utilizing the newest version of the Forged Dynalite Caliper (FDLI) with 11.75” diameter, 0.81” thick rotors offer repeatable brake performance for street and competition use. With direct mount rotor adapters for CSX6000 hubs and upright brackets, this kit offers a direct mount, no modification solution for these vehicles. The additional of MC-4 mechanical calipers allow for a fully functioning parking brake with fixed 4 piston main calipers. Included BP10 pads offer high friction and low NVH (Noise, Vibration and Harshness) characteristics, within moderate to medium high temperature ranges.




