260-14157
Wilwood's 15/16 bore Tandem Aluminum Master Cylinder for Mustangs is designed primarily for manual applications and include the correct pushrod for the factory 64-72 brake pedal. Machined from high-pressure die castings, each master cylinder weighs only 3lbs, a 75% weight savings over most cast iron OE type master cylinders. This Master Cylinder finish is Bare Aluminum
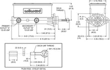
Wilwood's Tandem Aluminum Master Cylinder for Mustangs comes with the correct pushrod; a 15/16 in bore, and is available in 3 finishes; plain, ball burnished, and black e-coat. These master cylinders are designed primarily for manual applications and include the correct pushrod for the factory 64-72 brake pedal. They're designed for mount flanges from 3.22” to 3.40”, which match the 64-72 factory manual master cylinder mount, and offer fluid outlet ports on both sides of the bore. The stroke is set at 1.10” with a volume ratio of 2:1 between the primary and secondary chambers. Machined from high-pressure die castings, each master cylinder weighs only 3lbs, a 75% weight savings over most cast iron OE type master cylinders. We also offer a combination proportioning valve kit, which includes brackets and stainless lines specifically for use with this master cylinder, see PN 260-13190, or 220-13189 for retrofit kit
Wilwood's Tandem Aluminum Master Cylinder for Mustangs comes with the correct pushrod; a 15/16 in bore, and is available in 3 finishes; plain, ball burnished, and black e-coat. These master cylinders are designed primarily for manual applications and include the correct pushrod for the factory 64-72 brake pedal. They're designed for mount flanges from 3.22” to 3.40”, which match the 64-72 factory manual master cylinder mount, and offer fluid outlet ports on both sides of the bore. The stroke is set at 1.10” with a volume ratio of 2:1 between the primary and secondary chambers. Machined from high-pressure die castings, each master cylinder weighs only 3lbs, a 75% weight savings over most cast iron OE type master cylinders. We also offer a combination proportioning valve kit, which includes brackets and stainless lines specifically for use with this master cylinder, see PN 260-13190, or 220-13189 for retrofit kit



