260-14242-BK
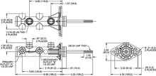
Wilwood's new 15/16” Remote Tandem Master Cylinder w/ Pushrod is designed for mount flanges from 3.22” to 3.40”, common measurements for most domestic cars and trucks from the mid-1960s to present, and offer fluid outlet ports on both sides of the bore. Machined from high-pressure die castings, each master cylinder weighs only 3lbs, a 75% weight savings over most cast iron OE type master cylinders. This master cylinder features a black e-coat finish.
Wilwood's Remote Tandem Master Cylinder with pushrod is available in 4 bore sizes: 7/8”, 15/16”, 1.00” and 1-1/8”, and 2 finishes: ball burnished, and black e-coat. They're designed to fit most mounting flanges and feature outlet ports both sides, for multiple plumbing options. Remote mount reservoir and bracket assemblies further enhance the utility of these cylinders.
Wilwood's Remote Tandem Master Cylinder with pushrod is available in 4 bore sizes: 7/8”, 15/16”, 1.00” and 1-1/8”, and 2 finishes: ball burnished, and black e-coat. They're designed to fit most mounting flanges and feature outlet ports both sides, for multiple plumbing options. Remote mount reservoir and bracket assemblies further enhance the utility of these cylinders.



