171-11859
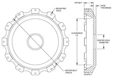
Wilwood's Truck hats are precision machined from premium aluminum alloys for high strength and attention to minimized weight. Hats in this category feature threaded rotor mount holes for use with standard through-hole mount rotors. Truck Hats feature strengthening ribs on a flared bell configuration for big rotor brake kits on truck, SUV, and 4WD axles with mutiple lug configurations.

